|
Úvod
Čipy PICAXE jsou vynikající programovatelné součástky. Od určité doby
je osazuji do většiny svých vlastoručně vyrobených zařízení.
Způsob použití PICAXE v zařízeních ok1ufc
S čipy PICAXE lze zkonstruovat mnoho zajímavých přístrojů. V této
publikaci, kterou jsem věnoval dálkovému ovládání a telemetrii využívám
pouze několik čipů z nabízené řady. Čipy využívám pouze se dvěma nebo
třemi extrémně jednoduchými programy (budou předmětem samostatného
článku). V podstatě čipy dělají převodník z použitého sériového
komunikačního protokolu na logické úrovně pinů čipu (0V, 5V), které lze
zatížit proudem řádu mA. V jiném samostatném článku bude popsáno technické
řešení, které umožňuje spínat proudy jednotek až desítek Ampér, při napětí
do 1000V (s využitím moderních prvků, jako jsou polovodiče hexfet, či
slolid state relay SSR).
Typické funkce čipů v zařízeních ok1ufc
1. V aplikaci DO a TM čipy převádějí informační bajty z komunikačního
protokolu RS-232 na logické úrovně pinů.
2. V aplikaci DO a TM čipy převádějí logické hodnoty na pinech do
sériového komunikačního protokolu RS-232.
3. V aplikaci DO a TM čipy převádějí analogové hodnoty na pinech (zákl.
rozsah je např. 0 až 5V) analogově digitálních převodníků (ADC) na bajt
nebo slovo (2 bajty) a takto digitalizovanou informaci přenášejí do
sériového komunikačního protokolu.
4. V aplikaci DO a TM čipy převádějí číslicovou hodnotu z jednodrátové
sběrnice (např. teplotní a jiná čidla) do sériového komunikačního
protokolu RS-232.
Typické zapojení čipu PICAXE v zařízeních ok1ufc
1. V zařízeních ok1ufc je čip PICAXE obvykle součástí každého
přístroje, který je určen k dálkovému ovládání nebo měření.
2. Zařízení s čipem PICAXE lze připojit k sériovému portu PC, k
sériovému portu převodníku USB-RS232 nebo k TCP serveru
(modulu) Elfin EW10.
Čipů PICAXE se vyrábí široký sortiment. Jednotlivé čipy se liší
výpočetním výkonem, generací (historicky), počtem pinů, pouzdrem (DIL,
SMT, TQPF, ...) a celou řadou vlastností.
V mé dílně se zahnízdilo několik málo oblíbených čipů, které uvádím
níže.
|
 |
|
|
|
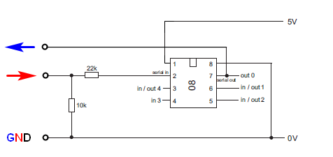
PICAXE 08M2
Tento typ používám často k realizaci dvou ADC převodníků. Tato
aplikace využívá jednoduchý program, který odešle na základě pokynu
(přes sériový port) odpověď, která obsahuje dvě naměřené hodnoty
(napětí, proud, VSWR, výkon, teplota).
Pin 2 používám pro zavádění programu (serial in).
Pin 4 používám pro příjem dat z Elfin modulů (Elfin TXD). |
 |
|
|
|
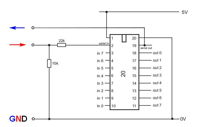
PICAXE 20M2
Tento typ používám k realizaci DO. Čip 20M2 používá piny 11 až 17 (8
bitů) jako výstupní a piny 10 až 5 a pin 3 lze rovněž naprogramovat
jako výstupní. Jeden čip je s jednoduchým programem spínat až 15
výstupů (např. relé).
Používám protokol s adresací čipů. Na jedné desce jsem vyzkoušel 6
čipů. Taková deska umožňuje spínat až 90 relé.
Pin 2 používám pro zavádění programu (serial in).
Pin 4 používám pro příjem dat z Elfin modulů (Elfin TXD). |
 |
|
|
|
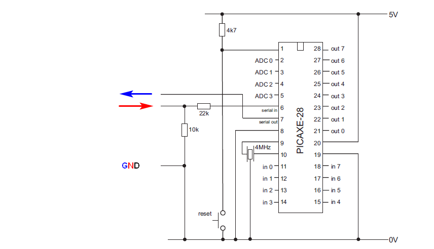
PICAXE 28X2
Tento čip není v mé dílně nijak rozšířený. Je výkonný. Použil jsem ho
např. k řízení 17 ks relé v dálkově řízeném anténním tuneru s měřením
VSWR a Pout.
Stejné řešení jsem však realizoval i s 2 čipy 20M2.
Poznámka:
Všechny typy označené jako 08M, 20M, 20X jsou typy starší
generace. Nové typy jsou označené jako 08M2, 20M2, 20X2. Nové typy
zachovávají vlastnosti předchozí generace, ale mají celou řadu
vlastností nových. Nejčastěji využívám toho, že piny jsou
konfigurovatelné pro různé funkce (např. in, out, ADC ....).
Typické zapojení pinů PICAXE
Dole uvádím zapojení pinů nejpoužívanějších typů čipů, které jsou
osazované do mých přístrojů:
|
 |
|
 |
|
|
|
|
 |
|
 |
|
 |
|
 |
|
|
Proč preferuji čipy PICAXE pro uvedené aplikace DO a
TM
1. Výrobce nabízí bohatý sortiment pouzder a typů.
2. K programování nepotřebuji žádný programátor čipů.
3. Vývojový prostředek využívá vyššího programovacího jazyka (Basic) a
práce je jednoduchá a velice efektivní.
4. Vývojový prostředek obsahuje nástroje pro simulaci a ladění
programu.
5. Programovat čip lze na desce přístroje nebo v jednoduchém přípravku
(používám obě možnosti, každá má své výhody i nevýhody).
6. Čipy jsou od výrobce připravené tak, že mají velice prakticky
uspořádané piny, např. 8 pinů jde za sebou a lze je řídit jediným
bajtem bez dalších přihlouplých konverzí a zbytečných operací.
7. Čipy obsahují piny schopné sériové komunikace a programování
sériové komunikace je jednoduché. Pro realizaci sériové komunikace
RS-232 jsou třeba jen 2 rezistory.
8. Pro potřebu DO a TM mám odladěné spolehlivé a krátké programy. Jsou
opravdu na několika málo řádcích včetně komentářů.
9. Použité čipy (a koncepce DO a TM) mě neomezují v množství řízených
(datových) bodů (relé, převodníků).
10. Vývojem aplikací pro PICAXE jsem nestrávil ani mládí ani stáří,
vše je lehce naučitelné. |
|
|
|