OK1UFC

 

Krátkovlnný širokopásmový předzesilovač, nesymetrický vstup 50 ohmů

2023 - 2025    

 

Všeobecně

Čas od času experimentuji s přijímacími anténami, jejichž rozměry jsou ve srovnání s délkou vlny malé nebo je malá výška antén. Pak jsou i přijímané signály slaboučké. Experimentoval jsem s různými typy předzesilovačů, ale nakonec jsem zůstal u velice osvědčené konstrukce W7IUV (Larry). Larryho konstrukce byla dlouhou dobu posaná na jeho stránkách, v poslední době však dokument není na stránkách dostupný. Původní dokument dávám ke stažení zde. W7IUV měl předzesilovače osazené tranzistorem 2N5109 (datasheet Microsemi) nebo 2N3866. Tyto tranzistory jsou pouzdřeny v pouzdrech TO-39. W7IUV nastavoval pracovní body kolektorů na poměrně vysoké proudy (Ic = 50-60 mA). Díky tomu měly zesilovače dobré intermodulační vlastnosti.

Popis posledního řešení

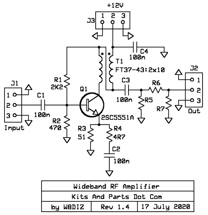
Předzesilovač W7IUV byl svým designem dobře dotažený, na tom se podepsal dlouholetý vývoj autora, mnoho modernizací a velká zpětná vazba mnoha uživatelů. Nevýhodou řešení je, že aktivní prvek, tranzistor 2N5109 nebo 2N3866 není jednoduše nahraditelný jiným typem polovodiče. Na internetu se objevilo řešení od W8DIZ, které bylo konstruované s tranzistorem ONSemi, typ 2SC5551A. Tato konstrukce byla i v roce 2025 dosažitelná jako stavebnice na internetu: https://www.kitsandparts.com/rfamp1.4.php, schéma a fotografie mé realizace - viz níže.

 


 

   

Vlastnosti předzesilovače

Měřil jsem pouze zisk. V diagramech je uveden zisk bez výstupního atenuátoru.
Na obrázku vpravo je zisk změřený při jmenovitém napájecím napětí Vcc = 12 V.
Na obrázcích dole jsou diagramy při napájení předzesilovače napětím Vcc=5V a 9V.
S nižším napájecím napětím zisk zesilovače klesá.

Nelinearitu při silných signálech a množství intermodulačních produktů jsem neměřil. Zesilovač jsem však vyzkoušel poslechem a přijmem na všech pásmech. Předzesilovač byl za všech podmínek stabilní, s mými anténami a v mém QTH jsem žádné nežádoucí produkty směšovaní na nelinearitách nenašel.

Zásadní odlišnosti konstrukcí W7IUV a W8DIZ:

1. Zesilovč 2SC5551A byl navržen s jednoduším obvodem stabilizace pracovního bodu. Mezi výstupem zesilovače a bází je pouze rezistor R1, nikoliv kmitočtově závislá vazba.

2. Pracovní bod - zesilovač W8DIZ pracuje s polovičním kolektorovým proudem (cca 30 mA).

3. Pracovní bod je stabilizovám pomocí rezistorů R1, R2, R3. Kmitočtová charakteristika je vyrovnána pomocí R4 a C2.

4. Napájecí napětí je blokováno pouze pomocí C4=100nF (provedení C4 je SMT).

5. Tranzistor 2SC5551A je v pouzdře SOT-89 pro montáž SMT. Chlazení polovodiče při proudu Ic = 30 mA je dostatečné.  


6. Transformátor T1 je na jádře FT-37-43 a bifilární vinutí má 2x10 závitů. Původní provedení podle W7IUV mělo poloviční počet závitů. Zřejmě i autor W8DIZ počítal s použitím zesilovače u aperiodických antén typu Beverage na nejnižších pásmech.

   

 
Mé postřehy:

V mém QTH a s mými anténami jsem nepozoroval při příjmu žádné interference způsobené intermodulačními produkty. Byl jsem rád, přesvědčilo mne to, že proud Ic je dostatečný. Pravděpodobně i šumové vlastnosti zesilovače jsou pro KV aplikace vyhovující a šumové číslo polovodiče nás nebude nijak limitovat. U tranzistoru 2SC5551A je přibližně poloviční proti 2N5109. Překvapilo mne, jak vysokého zisku zesilovač dosáhl. Prototyp zesilovače byl stabilní, bez náznaku jakýchkoliv parazitních oscilací, bez náznaku zákmitů.
Protože měl můj předzesilovač zbytečně vysoký zisk, osadil jsem i rezistory R5, R6 a R7 (navržených na útlum cca 5 dB). Protože jsem v šuplíku neměl rezistory stejné velikosti, osadil jsem ze strany součástek rezistory SMD, které jsem připájel k původním pájecím otvorům.

Nejsem v konstrukcích natolik odvážný, jako autor W8DIZ. Proto jsem byl zbytečně nedůvěřivý ke způsobu blokování napájecího napětí Vcc jediným (sice SMD) kondenzátorem C4 = 100 nF. Nicméně, vyzkoušel jsem předzesilovač i při napájení napětím 13.8 V ze zdroje TCVRu. Zisk při tomto napětí nepatrně vzrostl. Protože předzesilovač používám v blízkosti antény, je pro mě tento způsob napájení spíš hypotetický. Box s předzesilovačem mám vybaven lineárním stabilizátorem s obvodem 7812, který má na vstupu i na výstupu osazeny elektrolytické kondenzátory vyšších kapacit.

Závěr

Popsaný zesilovač používám v těchto případech:

1. Použití u přijímacích smyček (RX Loop) malých rozměrů. Přestože jsem takové smyčky řešil pro použití se symetrickým zesilovačem na vstupu (AD8129, zkouším dvě konstrukce zesilovačů), stále jsem si nebyl jist v názoru, zda řešení se symetrickým zesilovačem dává lepší výsledky než řešení s osvědčeným, odolným nesymetrickým zesilovačem a s dobrým symetrickým oddělovacím transformátorem přímo na svorkách antény.

2. Použití u přijímacích antén EWE, Flag a Beverage. Tyto antény bývají zakončeny rezistorem R, kterým je tvarována jejich vyzařovací charakteristika, ale dávají malou úroveň signálu na svorkách. A zde popsaný předzesilovač si v této roli vede velice dobře.
 

 

   TU 73, Mira, ok1ufc